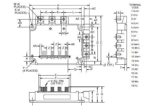
Product Summary
The PM150CLA120 is an isolated base module designed for power switching application operating at frequencies to 20kHz. Built-in control circuit provide optimum gate drive and protection for the IGBT and free-wheel diode power device. The applications of the PM150CLA120 include inverters, UPS, motion/ servo control, power supplies.
Parametrics
PM150CLA120 absolute maximum ratings: (1)Power device junction temperature, Tj: -20 to 150℃; (2)Storage temperature, Tstg: -40 to 125 ℃; (3)Module case operating temperature (Note 1), TC: -20 to 100℃; (4)Mounting torque, M5 mounting screws: 31in-lb; (5)Mounting torque, M5 main terminal screws: 31in-lb; (6)Module weight (typical): 800 Grams; (7)Supply voltage, surge (applied between P - N), VCC(surge): 1000 Volts; (8)Self-protection supply voltage limit (short circuit protection capability), VCC(prot.): 800 Volts; (9)Isolation voltage, AC 1 minute, 60Hz sinusoidal, VISO: 2500 Volts.
Features
PM150CLA120 features: (1)Complete output power circuit; (2)Gate drive circuit; (3)Protection logic: short circuit; over temperature using on-chip temperature sensing; under voltage; (4)Low loss using 5th generation IGBT chip.
Diagrams

| Image | Part No | Mfg | Description | ![]() |
Pricing (USD) |
Quantity | ||||||
|---|---|---|---|---|---|---|---|---|---|---|---|---|
![]() |
![]() PM150CLA120 |
![]() |
![]() MOD IPM L-SER 6PAC 1200V 150A |
![]() Data Sheet |
![]()
|
|
||||||
| Image | Part No | Mfg | Description | ![]() |
Pricing (USD) |
Quantity | ||||||
![]() |
![]() PM150CBS060 |
![]() Other |
![]() |
![]() Data Sheet |
![]() Negotiable |
|
||||||
![]() |
![]() PM150CL1A060 |
![]() Other |
![]() |
![]() Data Sheet |
![]() Negotiable |
|
||||||
![]() |
![]() PM150CL1A120 |
![]() Other |
![]() |
![]() Data Sheet |
![]() Negotiable |
|
||||||
![]() |
![]() PM150CL1B060 |
![]() Other |
![]() |
![]() Data Sheet |
![]() Negotiable |
|
||||||
![]() |
![]() PM150CLA060 |
![]() |
![]() MOD IPM L-SER 6PAC 600V 150A |
![]() Data Sheet |
![]()
|
|
||||||
![]() |
![]() PM150CLA120 |
![]() |
![]() MOD IPM L-SER 6PAC 1200V 150A |
![]() Data Sheet |
![]()
|
|
||||||
(China (Mainland))









