Product Summary
The FS300R17KE3/AGDR-71C is an EconoPACK module with trench/fieldstop IGBT and EmCon3 diode.
Parametrics
FS300R17KE3/AGDR-71C absolute maximum ratings: (1)Collector emitter voltage, Tvj= 25℃, VCES: 1700V; (2)DC collector current: Tc= 80℃, Tvj= 150℃, ICnom: 300A; Tc= 25℃, Tvj= 150℃, IC: 375A; (3)Repetitive peak collector current, tp= 1ms, ICRM: 600A; (4)Total power dissipation, Tc= 25℃, Tvj= 150℃, Ptot: 1650W; (5)Gate-emitter peak voltage, VGES: ±20V.
Features
FS300R17KE3/AGDR-71C features: (1)Square RBSOA; (2)Low saturation voltage; (3)Less total power dissipation; (4)Improved FWD characteristic; (5)Minimized internal stray inductance; (6)Overcurrent limiting function.
Diagrams

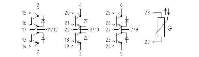
![]() |
![]() FS300R12KE3 |
![]() Infineon Technologies |
![]() IGBT Modules 1200V 300A 3-PHASE |
![]() Data Sheet |
![]()
|
|
||||||||||
![]() |
![]() FS300R12KE4 |
![]() Infineon Technologies |
![]() IGBT Modules N-CH 1.2KV 450A |
![]() Data Sheet |
![]()
|
|
||||||||||
![]() |
![]() FS300R12KF4 |
![]() Infineon Technologies |
![]() IGBT Modules 1200V 300A 6-PACK |
![]() Data Sheet |
![]()
|
|
||||||||||
![]() |
![]() FS300R16KF4 |
![]() Infineon Technologies |
![]() IGBT Modules 1600V 300A F/DIODE |
![]() Data Sheet |
![]()
|
|
||||||||||
![]() |
![]() FS300R17KE3 |
![]() Infineon Technologies |
![]() IGBT Modules 1700V 300A 3-PHASE |
![]() Data Sheet |
![]()
|
|
||||||||||
![]() |
![]() FS300R17KE4 |
![]() Infineon Technologies |
![]() IGBT Modules IGBT 1700V 300A |
![]() Data Sheet |
![]()
|
|
||||||||||
(China (Mainland))








