Product Summary
The fz2400r12ke3 is an IGBT inverter.
Parametrics
fz2400r12ke3 absolute maximum ratings: (1)repetitive peak reverse voltage, VRRM: 1200V; (2)DC forward current,IF: 2400A; (3)repetitive peak forward current, IFRM: 4800A; (4)I2t value, I2t: 680kA2s.
Features
fz2400r12ke3 features: (1)collector-emitter voltage, VCES: 1200V; (2)DC-collector current, IC: 3200A; (3)repetitive peak collector current, ICRM: 4800A; (4)total power dissipation, Ptot: 10KW; (5)gate-emitter peak voltage, VGES: +/-20V.
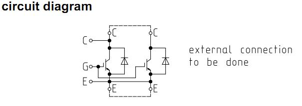
Diagrams

| Image | Part No | Mfg | Description | ![]() |
Pricing (USD) |
Quantity | ||||||||||||
|---|---|---|---|---|---|---|---|---|---|---|---|---|---|---|---|---|---|---|
![]() |
![]() FZ2400R12KE3 |
![]() Infineon Technologies |
![]() IGBT Transistors 1200V 2400A SINGLE |
![]() Data Sheet |
![]()
|
|
||||||||||||
![]() |
![]() FZ2400R12KE3_B9 |
![]() Infineon Technologies |
![]() IGBT Modules N-CH 1.2KV 3.2KA |
![]() Data Sheet |
![]()
|
|
||||||||||||
(China (Mainland))









