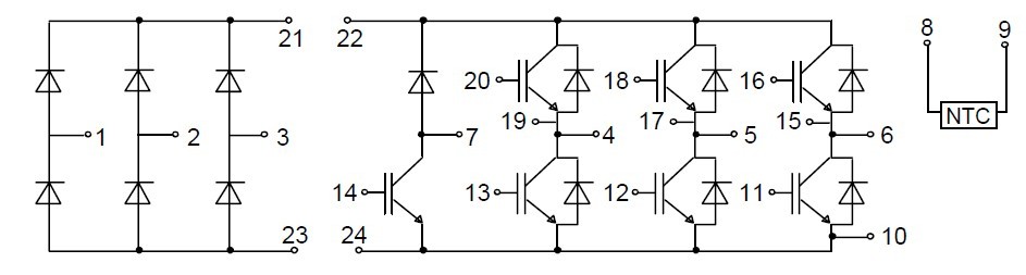
Product Summary
The BSM10GP120 is an IGBT-Module.
Parametrics
BSM10GP120 absolute maximum ratings: (1)repetitive peak reverse voltage, VRRM: 1600 V; (2)RMS forward current per chip, IFRMSM: 40 A; (3)DC forward current, TC = 80℃ Id: 10 A; (4)surge forward current tP = 10 ms, Tvj = 150℃: 230 A; (5)Grenzlastintegral tP = 10 ms, Tvj = 25℃ I2t: 450 A2s; (6)I2t - value tP = 10 ms, Tvj = 150℃: 260 A2s.
Features
BSM10GP120 features: (1)forward voltage, Tvj = 150℃, I F = 10 A VF:0,9 to 0,95 V; (2)threshold voltage, Tvj = 150℃ V(TO): 0,8 V; (3)slope resistance, Tvj = 150℃ rT: 10,5 mΩ; (4)reverse current, Tvj = 150℃, VR = 1600 V IR: 2mA; (5)lead resistance, terminals-chip, TC = 25℃: 8 mW.
Diagrams

| Image | Part No | Mfg | Description | ![]() |
Pricing (USD) |
Quantity | ||||||||||||
|---|---|---|---|---|---|---|---|---|---|---|---|---|---|---|---|---|---|---|
![]() |
![]() BSM10GP120 |
![]() Infineon Technologies |
![]() IGBT Modules 1200V 10A PIM |
![]() Data Sheet |
![]()
|
|
||||||||||||
![]() |
![]() BSM10GP120_B9 |
![]() Infineon Technologies |
![]() IGBT Modules IGBT 1200V 10A |
![]() Data Sheet |
![]()
|
|
||||||||||||
(China (Mainland))









