Product Summary
The CM150DU-24H is an IGBT. The applications of it are UPS, NC machine, AC-Drive control, Servo, Welders.
Parametrics
CM150DU-24H absolute maximum ratings: (1)Collector-emitter voltage:1200V; (2)Gate-emitter voltage:±20V; (3)Maximum collector dissipation:890W; (4)Junction temperature:-40℃ to +150℃; (5)Storage temperature:-40℃ to +125℃; (6)Isolation voltage:2500Vrms; (7)Collector current:TC = 25℃:150A, Pulse:300A; (8)Emitter current:TC = 25℃:150A, Pulse:300A; (9)Torque strength: Main terminals M6 screw: 3.5N.m to 4.5N.m, Mounting M6 screw: 3.5N.m to 4.5N.m; (10)Weight: 400g.
Features
CM150DU-24H features: (1)IC:150A; (2)VCES:1200V; (3)Insulated Type; (4)2-elements in a pack; (5)UL Recognized: Yellow Card No. E80276, File No. E80271.
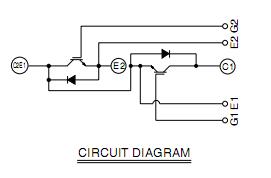
Diagrams

| Image | Part No | Mfg | Description | ![]() |
Pricing (USD) |
Quantity | ||||||
|---|---|---|---|---|---|---|---|---|---|---|---|---|
![]() |
![]() CM150DU-24H |
![]() |
![]() IGBT MOD DUAL 1200V 150A U SER |
![]() Data Sheet |
![]()
|
|
||||||
| Image | Part No | Mfg | Description | ![]() |
Pricing (USD) |
Quantity | ||||||
![]() |
![]() CM15 |
![]() Other |
![]() |
![]() Data Sheet |
![]() Negotiable |
|
||||||
![]() |
![]() CM1500 |
![]() Other |
![]() |
![]() Data Sheet |
![]() Negotiable |
|
||||||
![]() |
![]() CM15001W |
![]() Other |
![]() |
![]() Data Sheet |
![]() Negotiable |
|
||||||
![]() |
![]() CM15002W |
![]() Other |
![]() |
![]() Data Sheet |
![]() Negotiable |
|
||||||
![]() |
![]() CM15003W |
![]() Other |
![]() |
![]() Data Sheet |
![]() Negotiable |
|
||||||
![]() |
![]() CM15004W |
![]() Other |
![]() |
![]() Data Sheet |
![]() Negotiable |
|
||||||
(China (Mainland))









