Product Summary
The DDB6U100N16R is a Rectifier Diode Module.
Parametrics
DDB6U100N16R maximum ratings: (1)Tvj = - 40℃ Tvj max VRRM: 1000V; (2)repetitive peak reverse voltage: 1600 V; (3)non-repetitive peak reverse voltage Tvj = + 25℃ Tvj max VRSM: 1300V; (4)non-repetitive peak reverse voltage: 1700 V; (5)surge forward current Tvj = 25 ℃, tp = 10 ms: 650A; (6)Tvj = Tvj max, tp = 10 ms IFSM: 550 A; (7)I2t-value Tvj = 25 ℃, tp = 10 ms: 2100A2s ; (8)Tvj = Tvj max, tp = 10 ms I2t: 1500 A2s.
Features
DDB6U100N16R features: (1) tolerance ±15% M1 mounting torque: 4 Nm; (2)weight G typ.: 185 g; (3)distance: 12.5 mm; (4)f = 50Hz 50 m/s2.
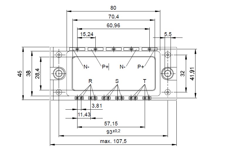
Diagrams

| Image | Part No | Mfg | Description | ![]() |
Pricing (USD) |
Quantity | ||||||||
|---|---|---|---|---|---|---|---|---|---|---|---|---|---|---|
![]() |
![]() DDB6U100N16R |
![]() Infineon Technologies |
![]() Discrete Semiconductor Modules 1600V 100A UN-CNTL |
![]() Data Sheet |
![]()
|
|
||||||||
![]() |
![]() DDB6U100N16RR |
![]() Infineon Technologies |
![]() Discrete Semiconductor Modules 1600V 100A UN-CNTL |
![]() Data Sheet |
![]()
|
|
||||||||
(China (Mainland))









