Product Summary
The MG50G2CL3 is a Darlington Half Bridge Power Module.
Parametrics
MG50G2CL3 absolute maximum ratings: (1)Isolated Case (Y/N):Yes; (2)Circuits Per Package:1; (3)V(BR)CEO (V):450; (4)V(BR)CBO (V):600; (5)I(C) Max. (A):50; (6)Absolute Max. Power Diss. (W):300; (7)Maximum Operating Temp (℃):150; (8)h(FE) Min. Current gain.:100; (9)@I(C) (A) (Test Condition):50; (10)@VCE (test):5.0V(CE)sat Max. (V):2.0; (11)@I(C) (A) (Test Condition):50; (12)@I(B) (A) (Test Condition):1.0; (13)t(f) Max. (s) Fall time.:2.0u.
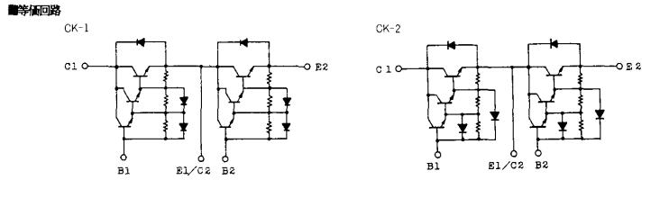
Diagrams

![]() |
![]() MG50Q2YS40 |
![]() Other |
![]() |
![]() Data Sheet |
![]() Negotiable |
|
||||
(China (Mainland))








