Product Summary
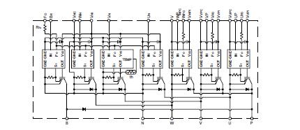
The PM75RSK060 is an intellimodtm module three phase brake IGBT inverter. Powerex IntellimodTM Intelligent Power Module is isolated base module designed for power switching applications operating at frequencies to 20kHz. Built-in control circuit provide optimum gate drive and protection for the IGBT and free wheel diode power device. The applications of the PM75RSK060 include inverters, UPS, motion/servo control, power supplies.
Parametrics
PM75RSK060 absolute maximum ratings: (1)Junction temperature, Tj: -20 to 150 ℃; (2)Storage Temperature, Tstg: -40 to 125 ℃; (3)Case operating temperature, TC: -20 to 100 ℃; (4)Mounting torque M4 mounting screws: 13 in-lb; (5)Module weight (typical): 150 Grams; (6)Supply voltage protected by OC and SC (VD = 13.5 to 16.5V, inverter part), VCC(prot): 400 Volts; (7)Isolation voltage, AC 1 minute, 60Hz sinusoidal, VRMS: 2500 Volts.
Features
PM75RSK060 features: (1)Complete output power circuit; (2)Gate drive circuit; (3)Protection logic: short circuit; over current; over temperature; under voltage.
Diagrams

| Image | Part No | Mfg | Description | ![]() |
Pricing (USD) |
Quantity | ||||||||||||||
|---|---|---|---|---|---|---|---|---|---|---|---|---|---|---|---|---|---|---|---|---|
![]() |
![]() PM75RSK060 |
![]() |
![]() MOD IPM HF 600V 75A |
![]() Data Sheet |
![]() Negotiable |
|
||||||||||||||
| Image | Part No | Mfg | Description | ![]() |
Pricing (USD) |
Quantity | ||||||||||||||
![]() |
![]() PM75-100K |
![]() |
![]() INDUCTOR UNSHIELD 10UH 10% SMT |
![]() Data Sheet |
![]() Negotiable |
|
||||||||||||||
![]() |
![]() PM75-100K-RC |
![]() Bourns |
![]() Power Inductors 10uH 10% |
![]() Data Sheet |
![]()
|
|
||||||||||||||
![]() |
![]() PM75-101K |
![]() |
![]() INDUCTOR UNSHIELD 100UH 10% SMT |
![]() Data Sheet |
![]() Negotiable |
|
||||||||||||||
![]() |
![]() PM75-101K-RC |
![]() J.W. Miller |
![]() Power Inductors Power Inductor, Non-Shielded |
![]() Data Sheet |
![]() Negotiable |
|
||||||||||||||
![]() |
![]() PM75-120K |
![]() |
![]() INDUCTOR UNSHIELD 12UH 10% SMT |
![]() Data Sheet |
![]() Negotiable |
|
||||||||||||||
![]() |
![]() PM75-120K-RC |
![]() J.W. Miller |
![]() Power Inductors MAGNETICS - NON-SHIELDED POWER INDUCTOR |
![]() Data Sheet |
![]() Negotiable |
|
||||||||||||||
(China (Mainland))










