Product Summary
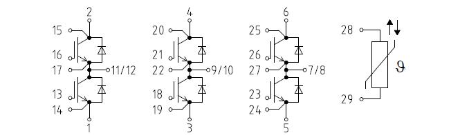
The FS450R12KE3/AGDR-72C is an IGBT3 and EmCon High Efficiency diode.
Parametrics
FS450R12KE3/AGDR-72C absolute maximum ratings: (1)Collector emitter voltage, Tvj= 25℃, VCES: 1200V; (2)DC-collector current: Tc= 80℃, Tvj= 150℃, ICnom: 450A; Tc= 25℃, Tvj= 150℃, IC: 600A; (3)Repetitive peak collector current, tp= 1ms, ICRM: 900A; (4)Total power dissipation, Tc= 25℃, Tvj= 150℃, Ptot: 2100W; (5)Gate-emitter peak voltage, VGES: ±20V.
Features
FS450R12KE3/AGDR-72C features: (1)Square RBSOA; (2)Low saturation voltage; (3)Less total power dissipation; (4)Improved FWD characteristic; (5)Minimized internal stray inductance; (6)Overcurrent limiting function.
Diagrams

![]() |
![]() FS450R12KE3 |
![]() Infineon Technologies |
![]() IGBT Modules 1200V 450A 3-PHASE |
![]() Data Sheet |
![]()
|
|
||||||||
![]() |
![]() FS450R12KE4 |
![]() Infineon Technologies |
![]() Discrete Semiconductor Modules 1200V 450A IGBT4 |
![]() Data Sheet |
![]()
|
|
||||||||
![]() |
![]() FS450R17KE3 |
![]() Infineon Technologies |
![]() IGBT Modules 1700V 450A 3-PHASE |
![]() Data Sheet |
![]()
|
|
||||||||
![]() |
![]() FS450R17KE4 |
![]() Infineon Technologies |
![]() IGBT Modules IGBT 1700V 450A |
![]() Data Sheet |
![]()
|
|
||||||||
(China (Mainland))








