Product Summary
The SKM195GAL123D is an insulated gate bipolar transistor. The applications of the SKM195GAL123D include AC inverter drivers, UPS, electonic welders.
Parametrics
SKM195GAL123D absolute maximum ratings: (1)VCES2: 1200V; (2)Tc= 25(80)℃, Ic: 220(160)A; (3)tp= 1ms, ICRM: 300A; (4)VGES:±20V; (5)TOPERATION≤ stg, Tvj·(Tstg): -40 to +150(125)℃; (6)AC, 1min., Visol: 4000V.
Features
SKM195GAL123D features: (1)VCE(sat) with positive temperature coefficient; (2)High short circuit capability, self limiting to 6 x Icnom ; (3)Fast & soft inverse CAL diodes ; (4)Large clearance (10 mm) and creepage distances (20 mm); (5)Isolated copper baseplate using Dbc technology (direct copper bonding).
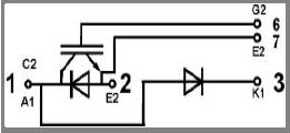
Diagrams

![]() |
![]() SKM100GAL123D |
![]() Other |
![]() |
![]() Data Sheet |
![]() Negotiable |
|
||||
![]() |
![]() SKM100GB124D |
![]() Other |
![]() |
![]() Data Sheet |
![]() Negotiable |
|
||||
![]() |
![]() SKM100GB125DN |
![]() Other |
![]() |
![]() Data Sheet |
![]() Negotiable |
|
||||
![]() |
![]() SKM100GB173D |
![]() Other |
![]() |
![]() Data Sheet |
![]() Negotiable |
|
||||
![]() |
![]() SKM111AR |
![]() Other |
![]() |
![]() Data Sheet |
![]() Negotiable |
|
||||
![]() |
![]() SKM121AR |
![]() Other |
![]() |
![]() Data Sheet |
![]() Negotiable |
|
||||
(China (Mainland))








